Mining
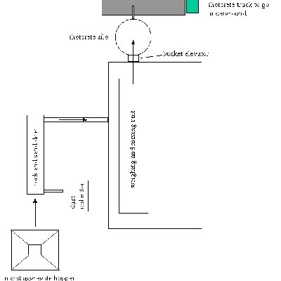
On-Site Dry-Shotcrete Production at Kemano Plant – Kitimat, BC
| Project: | Intake and exhaust tunnels and powerhouse for the KEMANO Hydroelectric Plant (near Kitimat, BC) |
| Year: | 1990/1991 |
| Owner: | Alcan – K.C.P. (Kemano Completion Project) |
| Contractor: | Foundation |
| Client: | Foundation |
| Volume: | Approximately 6,000 cubic yards in 200 days |
| Operation: | Target Products Limited designed, built and operated its own batch plant which was erected at the site.
|






